行業資訊
路基路面排水設計超詳細圖文
路基路面排水是為了保持路基路面常年處于干燥狀態,確保路基及路面具有足夠的強度與穩定性。做好排水,道路病害就會少很多,也會減少很多事故的發生。設計師做好這塊兒,對保證道路質量功不可沒!
路基路面排水的一般原則
排水設施要因地制宜、全面規劃、合理布局、綜合治理、講究實效、注意經濟,并充分利用有利地形和自然水系;路基排水溝渠的設置,應與農田水利相配合,必要時可適當地增設涵管或加大涵管孔徑; 設計前必須進行調查研究,重點路段要進行排水系統的全面規劃,做到路基路面綜合設計和分期修建;


路基排水要注意防止附近山坡的水土流失,盡量不破壞天然水系,盡量選擇有利地質條件布設人工溝渠; 路基排水要結合當地水文條件和道路等級等具體情況,注意就地取材,以防為主; 為減少水對路面的破壞作用,應盡量阻止水進入路面結構,并提供良好的排水措施,以便迅速排除路面結構內的水,亦可建筑具有能承受荷載和雨水共同作用的路面結構。

1.邊溝:邊溝用于匯集和排除降落在路基范圍內以及流向路基的少量地表水。邊溝設置在挖方路基的路肩外側或低路堤的坡腳外側,多與路中線平行,用以匯集和排除路基范圍內流向路基的少量地面水。
設置要點:
①邊溝不宜過長;
②邊溝的縱坡一般與路線縱坡一致;
③邊溝的出水口應與橋涵相適應;

邊溝布置:
(1)橫向位置:邊溝一般布置在路塹的路肩外側或較低矮路堤坡腳外側。
(2)邊溝的縱坡:邊溝的縱坡宜與路線縱坡相一致,并不宜小于0.5%,困難情況下可以減至0.3%。
(3)邊溝的長度:單向排水長度每300~500米設出水口。
2.截水溝:又稱天溝,一般設置在挖方路基邊坡坡頂以外,或山坡路堤上方的適當地點,用以攔截并排除路基上方流向路基的地面徑流。
設置要點:
①盡量與絕大多數地面流水方向垂直;
②應保證水流暢通,就近引入自然水溝內排出;
③截水溝水流不應引入邊溝,當必須引入時,應增大邊溝橫斷面,并進行保護;
④截水溝長度以200~500m為宜;



截水溝布置:
(1)橫向位置:截水溝一般布置在路塹邊坡或陡坡路堤上側,垂直于山坡水流方向或基本與等高線平行。視降雨量,可以不設或設計多道。




(2)縱坡與長度:截水溝的縱坡不宜小于0.3%,長度的考慮以匯水既不造成過大的沖刷,又不淤積為原則。
橫斷面:一般為梯形,溝的邊坡坡度,因巖土條件而定,一般采用1:1.0~1:1.5。溝底寬度b不小于0.5m,溝深h按設計流量而定,亦不應小于0.5m。


3.排水溝:排水溝的主要用途在于引水,將路基范圍內的各種水源的水流,引至橋涵或路基范圍以外的指定地點。
設置要點:
①排水溝的橫斷面一般采用梯形,尺寸大小應經過水力水文計算選定;
②排水溝位置可根據需要并結合當地地形等而;
③排水溝水流注入其他水渠或水道時, 應使原水道不產生沖刷或淤積;
④排水溝應具有合適的縱坡;

排水溝布置:
(1)排水溝的布置可以根據需要并結合當地地形條件而定,距離路基坡腳不宜小于3~4m,平面上應力求直捷,需要轉彎時亦應盡量圓順,做成弧形,其半徑不宜小于10~20m,連續長度宜短,一般不超過500m。
(2)排水溝應具有合適的縱坡,以保證水流暢通,不致流速太大而產生沖刷,亦不可流速太小而形成淤積,為此宜通過水文水力計算而擇優選定。一般情況下,可取0.5~1.0%,不小于0.3%,亦不宜大于3%。
(3)排水溝水流注入其他溝渠或水道時,應使原水道不產生沖刷或淤積。通常應使排水溝與原水道兩者成銳角相交,交角不大于45?,有條件可用半徑R=10b(b為溝頂寬)的圓曲線朝下游與其它水道相接。
排水溝的橫斷面,一般采用梯形,尺寸大小應經過水力水文計算選定。 包括排水溝在內的土質溝渠在有可能受到沖刷和滲漏時必須進行防護和防滲處理。

4.跌水與急流槽:跌水與急流槽是路基地面排水溝渠的特殊形, 用于陡坡地段,溝底縱坡可達45度。在陡坡或深溝地段設置的溝底為階梯,水流呈瀑布式跌落的溝槽稱作跌水。跌水的作用是在較短的距離內,降低水流流速,消減水流能量,進而防止沖刷(用于坡度大于10%,水頭高差大于1.0m的陡坡地段)
跌水構造:單級和多級之分,溝底有等寬與變寬之別?;緲嬙炜煞譃檫M水口、消力池和出水口三個部分。
急流槽構造:進口、主槽和出口三部分。





5.急流槽:在陡坡或深溝地段設置的坡度較陡、水流不離開槽底的溝槽稱作急流槽。急流槽的作用是在較短的距離內以溝渠的方式引排水流、降低水頭,進而防止沖刷(可用于比跌水更陡的坡度,可達600)。

急流槽設置通常設置在高路堤邊坡、高路塹邊坡、路塹與高路堤連接處、回頭曲線上下邊溝等位置,是山區公路溝通上下線路路基排水及溝渠出水口的一種常見排水設施。



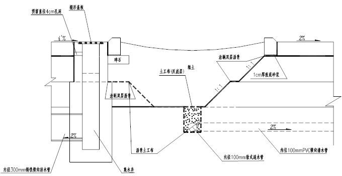
6.倒虹吸與渡水槽:當水流需要橫跨路基,同時受到設計標高的限制,可以采用管道或溝槽,從路基底部或上部架空跨越,前者稱倒虹吸,后者為渡水槽,分別相當于涵洞和渡水橋。兩者屬于路基地面排水的特殊結構物,并且多半是配合農田水利所需而采用。
倒虹吸的設置往往是因路基橫跨原有溝渠,且溝渠水位高于路基設計標高,不能按正常條件下設置涵洞,此時采用倒虹吸是可行的方案之一。 渡水槽的設置是因原水道與路基設計標高相差較大,如果路基兩側地形有利,或當地確有必要,可設簡易橋梁,架設水槽或管道,從路基上部跨越,以勾通路基兩側的水流。




7.盲溝:相對于地面排水的明溝而言,盲溝又稱為暗溝,是一種隱蔽工程。在溝內填以大小不同的顆粒材料,利用滲水材料的透水性將地下水匯集與溝內,并沿溝排泄至指定地點。
(1)設置要點:不宜過長,溝底應具有1%~2%的縱坡,出水口底面標高應高出溝外最高水位20cm,以防水力倒滲。
(2)條件:
1)路基范圍內的泉眼。
2)市區污水管或雨水管 。
(3)構造:洞式,管式 :蓋板周圍用碎(礫)石做成反濾層,顆粒直徑自上而下,由外及里,逐漸增大。
(4)縱坡:i≮1%,出口為邊溝高出最高水位20cm。




8.滲溝:利用滲透方式匯集流向路基的地下水,并通過溝底通道將水排至指定的地點,起到降低地下水位或攔截地下水。



滲溝構造:由排水層(石縫,管,洞),反濾層和封閉層所組成。封閉層:防止地面水的下滲(漿砌片石)。反濾層:匯集水流,防止水層中的土粒堵塞排水層,由大小均勻的砂石材料,分層填埋。

填石滲溝(盲溝)流量不大,滲溝不長。縱坡一般采用5% ;管式滲溝適用地下引水較長的地段,縱坡一般不大于1% ;洞式滲溝流量較大,缺乏水管。有條件采用較大縱坡。


塑料管滲溝:帶孔聚乙烯管;
土工布:聚丙烯纖維,有一定厚度,柔軟,而且具有力學強度。水分可通過土工布,土壤均被擋住。


9.滲井:將地下水(或地表水)通過豎井,滲入地下排除。
使用條件:
(1)路線高度與原地面相仿,排水困難,距地面有滲透性土層。
(2)高速公路或城市道路立交橋下,路線為凹形豎曲線(同雨水井)。

上部:井口(圓或方) 集水結構
下部:填充由中心向四周由粗到細的砂礫石 排水結構
上層不透水層范圍內填砂或礫石 ;下層透水層范圍內填碎石或卵石。
井壁和填充料之間設反濾層。
井頂四周(進口除外)用粘土筑堤圍護,井頂加筑砼蓋。
缺點:造價高,不輕易用。

路面排水
1。路面表面排水
降落在路面上的雨水,應通過路面橫向坡度向兩側排流,避免行車道路路面范圍內出現積水。在路線縱坡平緩、匯水量不大、路堤較低且邊坡坡面不會受到沖刷的情況下,應采用在路堤邊坡上橫向漫坡的方式排除路面表面水。
在路堤較高,邊坡坡面在未做防護而易遭受路面表面水流沖刷,或者坡面雖已采取防護措施但仍有可能受到沖刷時,應沿路肩外側邊緣設置攔水帶,匯集路面表面水,然后通過泄水口和急流槽排離路堤。
設置攔水帶匯集路面表面水時,攔水帶過水斷面內的水面,在高速公路及一級公路上不得漫過右側車道外邊緣,在二級及二級以下公路上不得漫過右側車道中心線。
攔水帶可由瀝青混凝土現場澆筑,或者由水泥混凝土預制塊鋪砌而成。
采用水泥混凝土預制塊攔水帶時,應避免預制塊影響路面內部水的排泄。攔水帶的頂面應略高于過水斷面的設計水面高(水深),按設計流量公式計算確定。




超高路段中央分隔帶三個要求:
(1)寬度小于3m且表面采用鋪面封閉的中央分隔帶排水,降落在分隔帶上的表面水排向兩側行車道,其坡度與路面的橫坡度相同;在超高路段上,可在分隔帶上側邊緣處設置緣石或泄水口,或者在分隔帶內設置縫隙式圓形集水管或碟形混凝土淺溝和泄水口,以攔截和排泄上側半幅路面的表面水。緣石過水斷面的泄水口可采用開口式,格柵式或組合式;碟形混凝土淺溝的泄水口采用格柵式。
(2)寬度大于3m且表面未采用鋪面封閉的中央分隔帶排水,降落在分隔帶上的表面水匯集在分隔帶中央的低洼處,并通過縱坡排流到泄水口或橫穿路界的橋涵水道中。
(3)表面無鋪面且未采用表面排水措施的中央分隔帶,降落在分隔帶上的表面水下滲,由分隔帶內的地下排水設施排除。


路面結構內部水的危害:浸濕各結構層材料和路基土,易造成無粘結粒狀材料和地基土的強度降低;使水泥混凝土路面產生唧泥,隨之出現錯臺、開裂和整個路肩破壞;進入空隙的自由水在行車荷載的作用下,會形成高孔隙水壓力和高流速的水流,引起路面基層的細顆粒產生唧泥,結果失去支承;在冰凍深度大于路面厚度的地方,高地下水位會造成凍脹,并在凍融期間降低承載能力;水使凍脹土產生不均勻凍脹;與水經常接觸將使瀝青混合料剝落,影響瀝青混凝土耐久性和產生龜裂。
路面結構內部排水設置條件:
(1)年降水量為600mm以上的濕潤和多雨地區,路基由透水性差的細粒土(滲透系數不大于10-5cm/s)組成的高速公路、一級公路或重要的二級公路。
(2)路基兩側有滯水,可能滲入路面結構內。
(3)嚴重冰凍地區,路基為由粉性土組成的潮濕、過濕路段。
(4)現有路面改建或改善工程,需排除積滯在路面結構內的水份。
路面結構內部排水設置要求:
(1)路面內部排水系統中各項排水設施的泄水能力均應大于滲入路面結構內的水量,且下游排水設施的泄水能力應超過上游排水設施的泄水能力。
(2)滲入水在路面結構內的最大滲流時間,冰凍地區不應超過1小時,其它地區不應超過2小時(重交通)~4小時(輕交通)。滲入水在路面結構內的滲流路徑長度不宜超過45m~60m。
(3)各項排水設施不應被滲流從路面結構、路基或路肩中帶來的細料堵塞,以保證系統的排水能力不隨時間推移而很快喪失。


排水路面設計方案:









文章來源:筑龍路橋設計;如有侵權請第一時間聯系刪除
更多相關信息 還可關注中鐵城際公眾號矩陣 掃一掃下方二維碼即可關注





